SMA-KFD217
  • 产品详情
  • 系列介绍
  • 产品预定

SMA系列射频同轴连接器出现于20世纪六十年代。具有螺纹连接结构,适用在无线电设备和电子仪器的射频回路中,连接射频电缆、半柔、半钢射频电缆。最大可用频率由所连接的同轴电缆的种类所限定。微波场合的应用主要表现在从同轴电缆到波导管的转换,以及微波传输带印刷电路板迹象的转换。我公司生产的SMA系列产品都符合GJB681(MIL-C-39012)规范。但个别产品规格也会在规定的范围内有所变化。

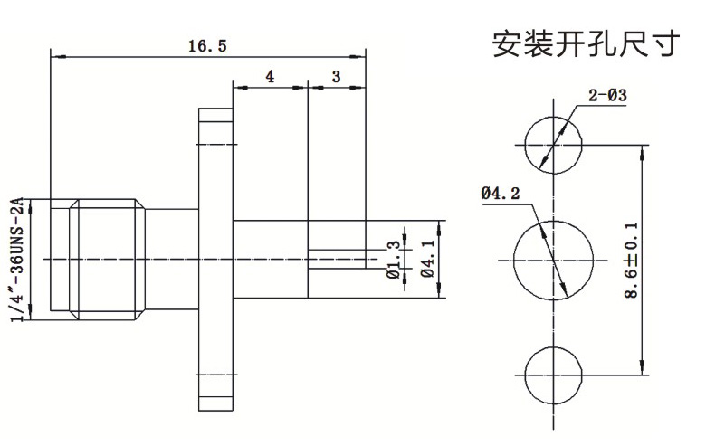
界面尺寸

材料与涂层

壳体(Body)

黄钢镀硬金或不锈钢表面钝化(Brass,gold plated or stainless steel passivated)

插针(Male center contacts)

黄得燥硬金(Brass,gold plated)

插孔(Female center contacts)

铍青铜镀硬金(Berylium copper,gold plated)

绝缘体(Insulators)

聚四氟乙烯(PTFE)

密封件(Gaskets)

硅橡胶(Silicon rubber)

压接套(Crimp ferrules)

铜合金镀镜或镀金(Copper alloy,gold or nickel plate)

SMA反极性系列产品是根据射频系统制造商的需要研制生产的,具有SMA标准系列的优良特性。其特性超抗为50Q,使用频率范围0~18GHz。

预定数量
联系人称呼
联系人电话
验证码