SSMA-KFK
  • 产品详情
  • 系列介绍
  • 产品预定

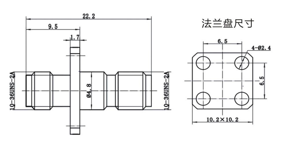
SSMA射频同轴连接器的外形及结构特点类似SMA系列的设计。具有螺纹连接机构,其外导体内径只有2.23mm,工作频率可达40GHz,可供毫米波领域电子设备和仪器的射频回路中选用。我公司生产的SSMA系列产品均符合IEC169-1IEC169-18标准。

界面尺寸

预定数量
联系人称呼
联系人电话
验证码