
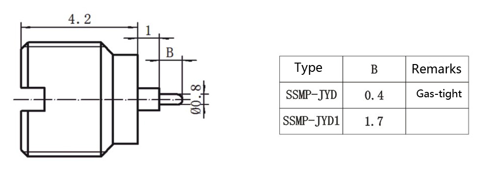
SSMP-type connector is a small push-in RF coaxial connector, with a small size, light weight, wide operating frequency and so on. Suitable for connection between the plates in pairs. Plug connector which has full escapement, optical interface, such as two holes, used in a modular installation of intensive occasions.