SSMA-50KD
  • Product Details
  • Series introduction
  • Product Booked

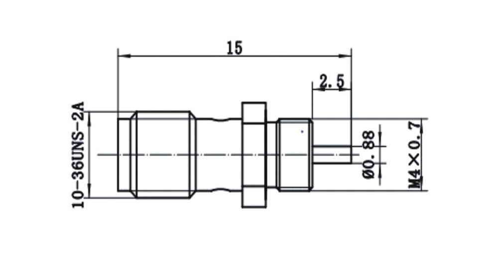
SSMA RF coaxial connector shape and structural characteristics similar to the SMA series of design. With a threaded connection mechanism, the outer conductor diameter is only 2.23mm, the operating frequency up to 40GHz, for the millimeter wave field of electronic equipment and instruments used in the RF circuit. I produced the SSMA series of products are in line with IEC169-1IEC169-18 standards.

Interface size

Quantity
Name
Tel
Captcha