SMA-KFD9
  • Product Details
  • Series introduction
  • Product Booked

SMA series RF coaxial connectors appeared in the 1960s. With a threaded connection structure, suitable for radio equipment and electronic equipment in the RF circuit, connecting RF cable, semi-soft, semi-steel RF cable. The maximum available frequency is limited by the type of coaxial cable to which it is connected. The application of microwave applications is mainly reflected in the conversion from coaxial cable to waveguide, and the conversion of printed circuit board signs of microwave transmission. I produced the SMA series of products are in line with GJB681 (MIL-C-39012) specification. But individual product specifications will also change within the specified range.

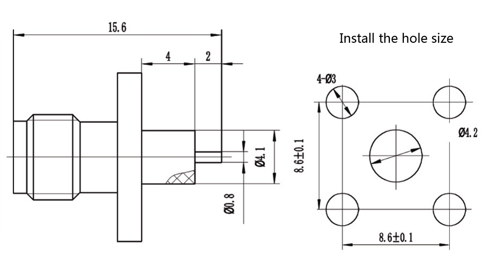
size

Materials and coating

Body

Brass,gold plated or stainless steel passivated

Male center contacts

Brass,gold plated

Female center contacts

Berylium copper,gold plated

Insulators

PTFE

Gaskets

Silicon rubber

Crimp ferrules

Copper alloy,gold or nickel plate

SMA reverse polarity series of products is based on the needs of RF system manufacturers to develop and produce, with SMA standard series of excellent features. Its characteristic super resistance is 50Q, the use frequency range 0 ~ 18GHz.

Quantity
Name
Tel
Captcha