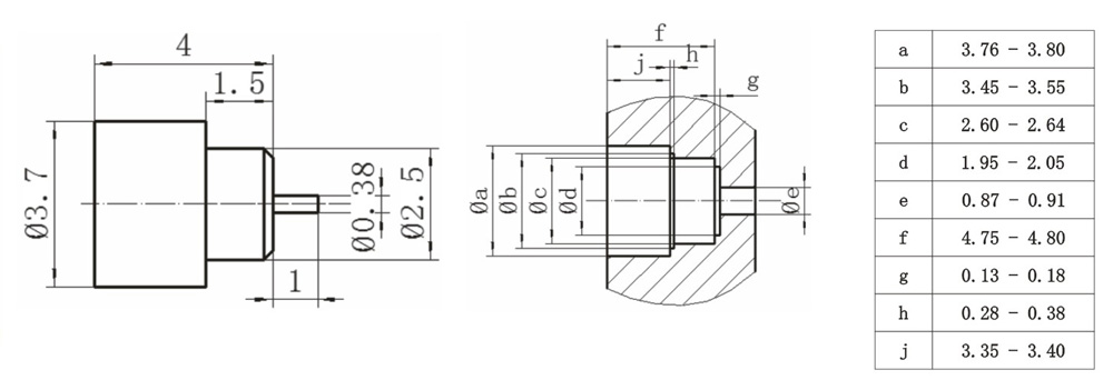
SMP(M)-JHD3
  • Product Details
  • Series introduction
  • Product Booked

SMP series is a subminiature push-in RF coaxial connector, which has the characteristics of small size, light weight, easy to use, wide working frequency band. SMP series connectors have full escapement, limited escapement, optical three structures.

The company's SMP series connector products are in line with (MIL-C-39012) specifications.

Quantity
Name
Tel
Captcha